Bloco guia linear HGL55CA
100% Processo e Tamanho HIWIN
Atualizar a aparência
Alta Precisão
Alta carga
Forte Rigidez
Andar Suavemente
Baixo Ruído
Longa vida útil
Intercambiável
Centralização Automática
Interdução de Produto
O bloco de guia linear HGL55CA pertence ao grupo de montagem médio e baixo, exceto o bloco de guia linear HGL55CA, tem também o deslizador HGL15CA, HGL25CA, HGL25HA, HGL30CA, HGL30HA, HGL35CA, HGL35HA, HGL45CA, HGL45HA, HGL55CA, HGL55HA.
Características do bloco guia linear HGL55CA:
【Carga igual em 4 direções】
Para garantir que as quatro direções de ação (radial, antirradial e lateral) do cursor têm a mesma carga nominal, cada coluna de esferas de aço é concebida para ser configurada com um ângulo de contacto de 45°, podendo ser utilizada em qualquer posição e ter uma vasta gama de aplicações.
Baixo centro de gravidade, elevada rigidez
Ao miniaturizar as dimensões da secção transversal do carril-guia, reduz-se o centro de gravidade, ao mesmo tempo que se obtém uma elevada rigidez.
Excelente durabilidade
Mesmo sob a ação de pré-carga ou carga de polarização, o deslizamento diferencial da esfera de aço é suprimido ao mínimo, conseguindo uma manutenção a longo prazo de elevada resistência ao desgaste e precisão.
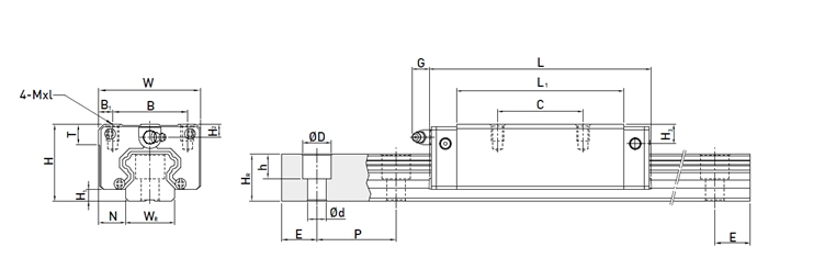
| Número | Dimensões do componente (mm) | Bloco deslizante (mm) | ||||||||||||||||
| H | H1 | N | Em | B. | B1. | C | L1 | L | Querido, o seu pedido foi enviado para o país de destino. Por favor, aguarde um pouco mais para que o seu pedido chegue. | K2 | Gê | M×L | T | H2 | H3 | |||
| HGL55CUM | 70 | 13 | 23.5 | 100 | 75 | 12.5 | 75 | 117.7 | 166.7 | 27.35 | 4.85 | 12.9 | M12×18 | 17.5 | 12 | 19 | ||
| Número | Tamanho da guia linear (mm) | Dimensões dos parafusos de fixação para calhas deslizantes | Carga nominal dinâmica básica | Carga nominal estática básica | Distância estática permitida | Peso | |||||||||||
| WR. | Recursos Humanos | D | H | D | P | e ainda | Milímetros | C(KN) | C0(KN) | Senhor | Deputado | MEU | bloco | trilho | |||
| KN-m | KN-m | KN-m | kg | quilogramas por metro | |||||||||||||
| HGL55CA | 53 | 44 | 23 | 20 | 16 | 120 | 30 | M14×45 | 114.44 | 227.81 | 5.66 | 4.06 | 4.06 | 3.25 | 15.08 | ||
Aplicação do produto
O bloco guia linear HGL55CA é utilizado principalmente em instrumentos e equipamentos de medição, equipamentos semicondutores, equipamentos de sopro de garrafas de plástico, braços robóticos de eixo único, equipamentos de automação, equipamentos de transporte e equipamentos que podem suportar binário num único eixo.
Contacte-nos
Se precisar do bloco deslizante de guia linear HGL55CA e de outros rolamentos de série linear, contacte-me.
| Número | Dimensões do componente (mm) | Bloco deslizante (mm) | ||||||||||||||||
| H | H1 | N | Em | B. | B1. | C | L1 | L | Querido, o seu pedido foi enviado para o país de destino. Por favor, aguarde um pouco mais para que o seu pedido chegue. | K2 | Gê | M×L | T | H2 | H3 | |||
| HGL15CA | 24 | 4.3 | 9.5 | 34 | 26 | 4 | 26 | 39.4 | 61.4 | 10 | 4.85 | 5.3 | M4×4 | 6 | 3.95 | 3.7 | ||















